SKU: TSF-8-21

Ductile Iron Float Steam Trap

From $618.20

Inc GST
In Stock
Make an Enquiry
  • Discharge condensate effectively without retention & realize energy saving without steam loss
  • Incorporated thermostatic air vent discharges air inside piping & shortens warm up time
  • Flow direction can be switched easily without disassembly
  • Since all main aperture is attached to the lid, Inspection & replacement of parts is straightforward
  • Made by Yoshitake Japan
Application Steam Condensate
Type Float Trap
Pressure 0.1 to 21 Bar
Temperature 0°C to 220°C
Connection BSPT (ISO 7.1)
Body Ductile cast iron
Valve & Seat Stainless Steel (Heat treated)
Float Stainless Steel (Heat treated)

Maximum Continous Discharge Capacity Chart 

TSF-21 Float Trap Discharge Capacity

TSF-8-21 Ductile Iron Float Steam Trap

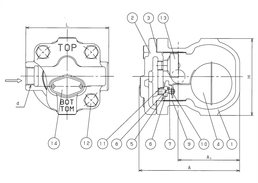
Size d L A A1 H Weight (kg)
15 1/2" 121 147 90 113 3.7
20 3/4" 121 147 90 113 3.7
25 1" 145 147 90 113 4.1

All dimensions in mm unless shown otherwise. 

TSF-8-21 Ductile Iron Float Steam Trap

Number Name Material Grade QTY
1 Body Ductile Cast Iron FCD450 1
2 Cover Ductile Cast Iron FCD450 1
3 Cover Gasket Non Asbestos   1
4 Float Stainless Steel SUS 1
5 Float Holder Stainless Steel SUS304 1
6 Valve Seat Stainless Steel SUS420J2 1
7 Valve Seat Stainless Steel SUS420J2 1
8 Spindle Stainless Steel SUS304 1
9 Screen Stainless Steel SUS304 1
10 E Ring Stainless Steel SUS304 1
11 Spring Pin Stainless Steel SUS304 1
12 Bolts Carbon Steel SCM435 4
13 Air Vent Stainless Steel SUS 1
14 Name Plate Aluminium A105P 1

Size 1/2" & 3/4" BSPT
Body Ductile Iron
Pressure Range 0.1 to 21 BAR
Temperature 0 to 220°C

DATA SHEET

Others Also Bought

.
.