Features:
Size 1/2" to 1" BSPT
Body Ductile Iron
Pressure Range 0 to 16 BAR
Temperature 0 to 220°C
| Application | Steam Condensate |
|---|---|
| Type | Inverted Bucket |
| Pressure | 0.1 to 16 Bar (varies for each model) |
| Temperature | 0°C to 220°C |
| Connection | BSPT (ISO 7.1) |
| Body | Ductile cast iron |
| Valve | Stainless Steel (Heat treated) |
| Valve Seat | Stainless Steel (Heat treated) |
Discharge Capacity Chart

A) 0.1 to 3 Bar B) 2 to 6 Bar C) 3 to 10 Bar D) 6 to 16 Bar

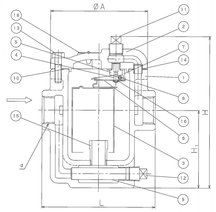
| DN | d | L | H | H1 | A | Kg |
|---|---|---|---|---|---|---|
| 15 | 1/2" Rc | 136 | 183 | 94 | 117 | 4.3 |
| 20 | 3/4" Rc | 136 | 183 | 94 | 117 | 4.3 |
| 25 | 1" Rc | 136 | 183 | 94 | 117 | 4.3 |
All dimensions in mm unless shown otherwise.

| Number | Part | Material | Grade | QTY |
|---|---|---|---|---|
| 1 | Body | Ductile Iron | FCD450 | 1 |
| 2 | Cover | Ductile Iron | FCD450 | 1 |
| 3 | Bucket | Stainless Steel | SUS304 | 1 |
| 4 | Valve | Stainless Steel | SUS420J2 | 1 |
| 5 | Valve Seat | Stainless Steel | SUS420J2 | 1 |
| 6 | Lever | Stainless Steel | SUS304 | 1 |
| 7 | Lever Holder | Stainless Steel | SUS304 | 1 |
| 8 | Spindle | Stainless Steel | SUS304 | 1 |
| 9 | Screen | Stainless Steel | SUS304 | 1 |
| 10 | Gasket | Graphite | Graphite | 1 |
| 11 | Plug | Stainless Steel | SUS304 | 1 |
| 12 | Plug | Malleable Cast Iron | FCMB310 | 1 |
| 13 | Bolts | Carbon Steel | SCM435 | 6 |
| 14 | Spacer | Carbon Steel | SPCC | 1 |
| 15 | Pipe | Stainless Steel | SUS304 | 1 |
| 16 | E Ring | Stainless Steel | SUS304 | 1 |
| 18 | Plate | Aluminium | A1050 | 1 |
Size 1/2" to 1" BSPT
Body Ductile Iron
Pressure Range 0 to 16 BAR
Temperature 0 to 220°C
Size 1/2" to 1" BSPT
Body Ductile Iron
Pressure Range 0 to 16 BAR
Temperature 0 to 220°C
| Application | Steam Condensate |
|---|---|
| Type | Inverted Bucket |
| Pressure | 0.1 to 16 Bar (varies for each model) |
| Temperature | 0°C to 220°C |
| Connection | BSPT (ISO 7.1) |
| Body | Ductile cast iron |
| Valve | Stainless Steel (Heat treated) |
| Valve Seat | Stainless Steel (Heat treated) |
Discharge Capacity Chart

A) 0.1 to 3 Bar B) 2 to 6 Bar C) 3 to 10 Bar D) 6 to 16 Bar

| DN | d | L | H | H1 | A | Kg |
|---|---|---|---|---|---|---|
| 15 | 1/2" Rc | 136 | 183 | 94 | 117 | 4.3 |
| 20 | 3/4" Rc | 136 | 183 | 94 | 117 | 4.3 |
| 25 | 1" Rc | 136 | 183 | 94 | 117 | 4.3 |
All dimensions in mm unless shown otherwise.

| Number | Part | Material | Grade | QTY |
|---|---|---|---|---|
| 1 | Body | Ductile Iron | FCD450 | 1 |
| 2 | Cover | Ductile Iron | FCD450 | 1 |
| 3 | Bucket | Stainless Steel | SUS304 | 1 |
| 4 | Valve | Stainless Steel | SUS420J2 | 1 |
| 5 | Valve Seat | Stainless Steel | SUS420J2 | 1 |
| 6 | Lever | Stainless Steel | SUS304 | 1 |
| 7 | Lever Holder | Stainless Steel | SUS304 | 1 |
| 8 | Spindle | Stainless Steel | SUS304 | 1 |
| 9 | Screen | Stainless Steel | SUS304 | 1 |
| 10 | Gasket | Graphite | Graphite | 1 |
| 11 | Plug | Stainless Steel | SUS304 | 1 |
| 12 | Plug | Malleable Cast Iron | FCMB310 | 1 |
| 13 | Bolts | Carbon Steel | SCM435 | 6 |
| 14 | Spacer | Carbon Steel | SPCC | 1 |
| 15 | Pipe | Stainless Steel | SUS304 | 1 |
| 16 | E Ring | Stainless Steel | SUS304 | 1 |
| 18 | Plate | Aluminium | A1050 | 1 |