SKU: TD-10NA

Ductile Iron Thermodynamic Steam Trap

From $260.70

Inc GST
In Stock
Make an Enquiry
  • Bi-metal ring eliminates air binding
  • Stable performance & superior durability
  • Integral Strainer to ensure longevity
  • Made by Yoshitake Japan
Application Steam Condensate
Type Disc Type
Pressure 0.35 to 20 Bar (varies for each model)
Temperature 0°C to 220°C
Connection BSPT (ISO 7.1)
Body Ductile cast iron
Valve Stainless Steel (Heat treated)
Valve Seat Stainless Steel (Heat treated)

Maximum Continous Discharge Capacity Chart

Thermodynamic Steam Trap Discharge Capacity Chart 

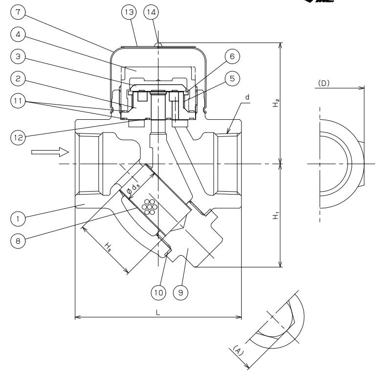
Series TD-10NA Thermodynamic Steam Trap

Size d L H1 H2 A D ds hs Weight (kg)
15 1/2" 90 49 55.5 19 32 18 32 0.9
20 3/4" 90 53 60.5 22 42 20 35 1.2
25 1" 90 56 62.5 22 48 20 35 1.4

All dimensions in mm unless shown otherwise. 

Series TD-10NA Thermodynamic Steam Trap

Number Name Material Grade QTY
1 Body Ductile Cast Iron FCD450 1
2 Valve Seat Cast Stainless Steal SCS2A 1
3 Disc Stainless Steel SUS420J2 1
4 Disc Cover Cast Stainless Steal SCS13 1
5 Bi-Metal     1
6 Ring Stainless Steel SUS304 1
7 Heating Cover Carbon Steel SPC 1
8 Screen Stainless Steel SUS304 1
9 Cap Ductile Cast Iron FCD450 1
10 Gasket Non Asbestos   1
11 Gasket PTFE PTFE 1
12 Gasket PTFE PTFE 1
13 Name Plate Aluminium A1050 1
14 Rivet Aluminium A1056 1

Size 1/2" to 1" BSPT
Body Ductile Iron
Pressure Range 0.35 to 20 BAR
Temperature 0 to 220°C

DATA SHEET
.
.