Features:
Size 15mm to 100mm
Body 316 Stainless Steel
Seat Reinforced PTFE
Pressure 50 Bar @ ambient
Temperature -20°C to 180°C
Operation Lockable Lever or Gear Box
Fire Safe Approved
Two piece two way ANSI 300lb flanged fire safe approved ball valve, lockable lever operation & solid ball. 316 Stainless Steel body, PTFE seats, FKM backing ring, live loaded packing and anti static device. Firesafe Approved API607 Sixth Edition, Cert. No 218781. ISO5211 Mounting Pad allowing direct coupling of actuation. Great for fuel applications, pipelines, water treatment and general industry.
| Model | Size (mm) | Media Pressure | Media Temperature | Torque at zero Pressure (Nm) | Torque at full Pressure (Nm) |
|---|---|---|---|---|---|
| BLSF4FA300-L-T | 15 | Vacuum (29" Hg) to 50 Bar | -20°C to 180°C | 5 | 7 |
| BLSF5FA300-L-T | 20 | Vacuum (29" Hg) to 50 Bar | -20°C to 180°C | 8 | 12 |
| BLSF6FA300-L-T | 25 | Vacuum (29" Hg) to 50 Bar | -20°C to 180°C | 10 | 15 |
| BLSF7FA300-L-T | 32 | Vacuum (29" Hg) to 50 Bar | -20°C to 180°C | 14 | 20 |
| BLSF8FA300-L-T | 40 | Vacuum (29" Hg) to 50 Bar | -20°C to 180°C | 18 | 27 |
| BLSF9FA300-L-T | 50 | Vacuum (29" Hg) to 50 Bar | -20°C to 180°C | 25 | 37 |
| BLSF10FA300-L-T | 63 | Vacuum (29" Hg) to 50 Bar | -20°C to 180°C | 48 | 69 |
| BLSF11FA300-L-T | 80 | Vacuum (29" Hg) to 50 Bar | -20°C to 180°C | 75 | 110 |
| BLSF12FA300-L-T | 100 | Vacuum (29" Hg) to 50 Bar | -20°C to 180°C | 110 | 166 |
| BLSF13FA300-L-T | 125 | Vacuum (29" Hg) to 50 Bar | -20°C to 180°C | 200 | 296 |
| BLSF14FA300-L-T | 150 | Vacuum (29" Hg) to 50 Bar | -20°C to 180°C | 300 | 455 |
| BLSF15FA300-L-T | 200 | Vacuum (29" Hg) to 50 Bar | -20°C to 180°C | 400 | 585 |

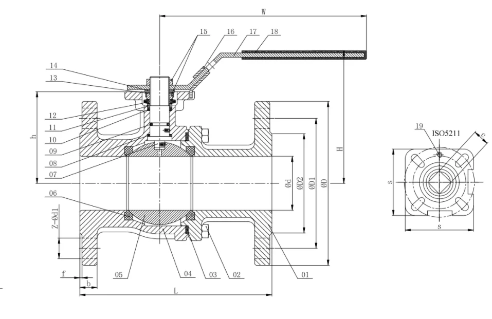
| Size | d | L | D | D1 | D2 | b | f | H | W | C | ISO5211 | Z-Ød1 | h | s | Kgs |
|---|---|---|---|---|---|---|---|---|---|---|---|---|---|---|---|
| 1/2" | 15 | 140 | 95 | 66.5 | 35 | 14.5 | 2 | 82 | 117 | 9 | F03/F04 | 4-15 | 49.5 | 42.6 | |
| 3/4" | 20 | 152 | 117 | 82.5 | 43 | 16 | 2 | 87 | 117 | 9 | F03/F04 | 4-19 | 60.5 | 42.6 | |
| 1" | 25 | 165 | 124 | 89 | 51 | 17.5 | 2 | 90 | 164 | 11 | F04/F05 | 4-19 | 64 | 50 | |
| 1-1/4" | 32 | 178 | 133 | 98.5 | 64 | 19.5 | 2 | 100 | 164 | 11 | F04/F05 | 4-19 | 71 | 50 | |
| 1-1/2" | 40 | 190 | 156 | 114.5 | 73 | 21 | 2 | 116 | 203 | 14 | F05/F07 | 4-22 | 80.5 | 64.5 | |
| 2" | 50 | 216 | 165 | 127 | 92 | 22.5 | 2 | 125 | 203 | 14 | F05/F07 | 8-19 | 85 | 64.5 | |
| 2-1/2" | 65 | 241 | 190 | 149 | 105 | 25.5 | 2 | 164 | 255 | 17 | F07/F10 | 8-22 | 110 | 93.6 | |
| 3" | 80 | 283 | 210 | 168.5 | 127 | 29 | 2 | 174 | 255 | 17 | F07/F10 | 8-22 | 122.5 | 93.6 | |
| 4" | 100 | 305 | 254 | 200 | 157 | 32 | 2 | 200 | 302 | 17 | F07/F10 | 8-22 | 145.5 | 93.6 |
All dimensions in mm unless shown otherwise.

| Item | Part | Material | Qty | Item | Part | Material | Qty |
|---|---|---|---|---|---|---|---|
| 1 | Cap | 1.4408 (CF8M) | 1 | 11 | Packing Ring | SS304 | 1 |
| 2 | Bolt | SS304 | 4(8) | 12 | Belleville Washer | SS301 | 2 |
| 3 | Body Gasket | Pure Graphite | 1 | 13 | Nut Stopper | SS304 | 1 |
| 4 | Body | 1.4408 (CF8M) | 1 | 14 | Plate Washer | SS304 | 1 |
| 5 | Ball | SS316 | 1 | 15 | Nut | SS304 | 2 |
| 6 | Ball Seat | PTFE | 2 | 16 | Lock Device | SS304 | 1 |
| 7 | Stem | SS316 | 1 | 17 | Handle | SS304 | 1 |
| 8 | Thrust Washer | Pure PTFE | 1 | 18 | Plastic Cover | Plastic | 1 |
| 9 | O-ring | Viton | 1 | 19 | Stop Pin | SS304 | 1 |
| 10 | Stem Packing | Pure Graphite | 1 |
Size 15mm to 100mm
Body 316 Stainless Steel
Seat Reinforced PTFE
Pressure 50 Bar @ ambient
Temperature -20°C to 180°C
Operation Lockable Lever or Gear Box
Fire Safe Approved
Size 15mm to 100mm
Body 316 Stainless Steel
Seat Reinforced PTFE
Pressure 50 Bar @ ambient
Temperature -20°C to 180°C
Operation Lockable Lever or Gear Box
Fire Safe Approved
Two piece two way ANSI 300lb flanged fire safe approved ball valve, lockable lever operation & solid ball. 316 Stainless Steel body, PTFE seats, FKM backing ring, live loaded packing and anti static device. Firesafe Approved API607 Sixth Edition, Cert. No 218781. ISO5211 Mounting Pad allowing direct coupling of actuation. Great for fuel applications, pipelines, water treatment and general industry.
| Model | Size (mm) | Media Pressure | Media Temperature | Torque at zero Pressure (Nm) | Torque at full Pressure (Nm) |
|---|---|---|---|---|---|
| BLSF4FA300-L-T | 15 | Vacuum (29" Hg) to 50 Bar | -20°C to 180°C | 5 | 7 |
| BLSF5FA300-L-T | 20 | Vacuum (29" Hg) to 50 Bar | -20°C to 180°C | 8 | 12 |
| BLSF6FA300-L-T | 25 | Vacuum (29" Hg) to 50 Bar | -20°C to 180°C | 10 | 15 |
| BLSF7FA300-L-T | 32 | Vacuum (29" Hg) to 50 Bar | -20°C to 180°C | 14 | 20 |
| BLSF8FA300-L-T | 40 | Vacuum (29" Hg) to 50 Bar | -20°C to 180°C | 18 | 27 |
| BLSF9FA300-L-T | 50 | Vacuum (29" Hg) to 50 Bar | -20°C to 180°C | 25 | 37 |
| BLSF10FA300-L-T | 63 | Vacuum (29" Hg) to 50 Bar | -20°C to 180°C | 48 | 69 |
| BLSF11FA300-L-T | 80 | Vacuum (29" Hg) to 50 Bar | -20°C to 180°C | 75 | 110 |
| BLSF12FA300-L-T | 100 | Vacuum (29" Hg) to 50 Bar | -20°C to 180°C | 110 | 166 |
| BLSF13FA300-L-T | 125 | Vacuum (29" Hg) to 50 Bar | -20°C to 180°C | 200 | 296 |
| BLSF14FA300-L-T | 150 | Vacuum (29" Hg) to 50 Bar | -20°C to 180°C | 300 | 455 |
| BLSF15FA300-L-T | 200 | Vacuum (29" Hg) to 50 Bar | -20°C to 180°C | 400 | 585 |

| Size | d | L | D | D1 | D2 | b | f | H | W | C | ISO5211 | Z-Ød1 | h | s | Kgs |
|---|---|---|---|---|---|---|---|---|---|---|---|---|---|---|---|
| 1/2" | 15 | 140 | 95 | 66.5 | 35 | 14.5 | 2 | 82 | 117 | 9 | F03/F04 | 4-15 | 49.5 | 42.6 | |
| 3/4" | 20 | 152 | 117 | 82.5 | 43 | 16 | 2 | 87 | 117 | 9 | F03/F04 | 4-19 | 60.5 | 42.6 | |
| 1" | 25 | 165 | 124 | 89 | 51 | 17.5 | 2 | 90 | 164 | 11 | F04/F05 | 4-19 | 64 | 50 | |
| 1-1/4" | 32 | 178 | 133 | 98.5 | 64 | 19.5 | 2 | 100 | 164 | 11 | F04/F05 | 4-19 | 71 | 50 | |
| 1-1/2" | 40 | 190 | 156 | 114.5 | 73 | 21 | 2 | 116 | 203 | 14 | F05/F07 | 4-22 | 80.5 | 64.5 | |
| 2" | 50 | 216 | 165 | 127 | 92 | 22.5 | 2 | 125 | 203 | 14 | F05/F07 | 8-19 | 85 | 64.5 | |
| 2-1/2" | 65 | 241 | 190 | 149 | 105 | 25.5 | 2 | 164 | 255 | 17 | F07/F10 | 8-22 | 110 | 93.6 | |
| 3" | 80 | 283 | 210 | 168.5 | 127 | 29 | 2 | 174 | 255 | 17 | F07/F10 | 8-22 | 122.5 | 93.6 | |
| 4" | 100 | 305 | 254 | 200 | 157 | 32 | 2 | 200 | 302 | 17 | F07/F10 | 8-22 | 145.5 | 93.6 |
All dimensions in mm unless shown otherwise.

| Item | Part | Material | Qty | Item | Part | Material | Qty |
|---|---|---|---|---|---|---|---|
| 1 | Cap | 1.4408 (CF8M) | 1 | 11 | Packing Ring | SS304 | 1 |
| 2 | Bolt | SS304 | 4(8) | 12 | Belleville Washer | SS301 | 2 |
| 3 | Body Gasket | Pure Graphite | 1 | 13 | Nut Stopper | SS304 | 1 |
| 4 | Body | 1.4408 (CF8M) | 1 | 14 | Plate Washer | SS304 | 1 |
| 5 | Ball | SS316 | 1 | 15 | Nut | SS304 | 2 |
| 6 | Ball Seat | PTFE | 2 | 16 | Lock Device | SS304 | 1 |
| 7 | Stem | SS316 | 1 | 17 | Handle | SS304 | 1 |
| 8 | Thrust Washer | Pure PTFE | 1 | 18 | Plastic Cover | Plastic | 1 |
| 9 | O-ring | Viton | 1 | 19 | Stop Pin | SS304 | 1 |
| 10 | Stem Packing | Pure Graphite | 1 |