Features:
Size 15mm to 150mm
Body Ductile Iron
Seat Stainless Steel
Nominal Pressure 16 Bar
Max Temp 300°C
| Application | Steam| Air| Water| Oil| Other compatible fluids |
|---|---|
| Max temperture | 300°C |
| Connection | Flanged DIN PN16 |
| Body | Ductile Iron |
| Bonnet | Stainless Steel |
| Valve | Stainless Steel |
| Valve Seat | Stainless Steel |
| Bellows | Stainless Steel (SUS316Ti) |

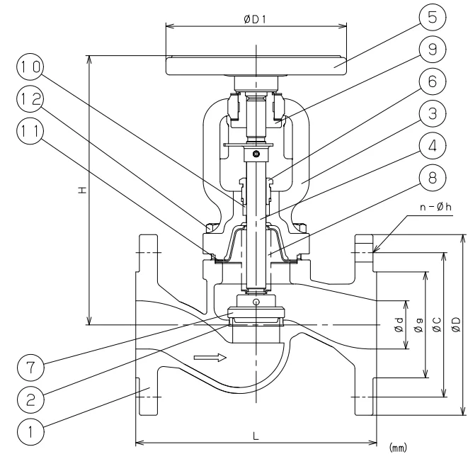
| Size | d | H | D1 | L | D | C | g | n-h | Kg |
|---|---|---|---|---|---|---|---|---|---|
| 15 | 15 | 178 | 125 | 130 | 95 | 65 | 46 | 4-14 | 3.2 |
| 20 | 20 | 178 | 125 | 150 | 105 | 75 | 56 | 4-14 | 3.9 |
| 25 | 25 | 193 | 125 | 160 | 115 | 85 | 65 | 4-14 | 4.6 |
| 32 | 32 | 201 | 125 | 180 | 140 | 100 | 76 | 4-19 | 6.5 |
| 40 | 40 | 224 | 150 | 200 | 150 | 110 | 84 | 4-19 | 9 |
| 50 | 50 | 228 | 150 | 230 | 165 | 125 | 99 | 4-19 | 11 |
| 65 | 65 | 270 | 180 | 290 | 185 | 145 | 118 | 4-19 | 15.8 |
| 80 | 80 | 295 | 200 | 310 | 200 | 160 | 132 | 8-19 | 20.5 |
| 100 | 100 | 321 | 250 | 350 | 220 | 180 | 156 | 8-19 | 35 |
| 125 | 125 | 388 | 300 | 400 | 250 | 210 | 184 | 8-19 | 49 |
| 150 | 150 | 448 | 400 | 480 | 285 | 240 | 211 | 8-23 | 76 |
| 200 | 200 | 575 | 500 | 600 | 340 | 295 | 266 | 12-23 | 130.5 |
All dimensions in mm unless shown otherwise.

| Number | Part | Material | Grade |
|---|---|---|---|
| 1 | Body | Cast Iron | FC250 |
| 2 | Valve Seat | Stianless Steel | SUS420J1 |
| 3 | Bonnet | Ductile Iron | FCD400 |
| 4 | Spindle | Stainless Steel | SUS420J1 |
| 5 | Handwheel | Steel | Steel |
| 6 | Gland | Seel | SUM24L |
| 7 | Valve | Stainless Steel | SUS420J1 |
| 8 | Bellows | Stainless Steel | SUS316Ti |
| 9 | Sleeve | Steel | ASUM24L |
| 10 | Gland Packing | Graphite | Graphite |
| 11 | Bonnet Gasket | Graphite + CRNiSt | Graphite + CRNiSt |
| 12 | Hexagon Bolt | Steel | Steel |
Size 15mm to 150mm
Body Ductile Iron
Seat Stainless Steel
Nominal Pressure 16 Bar
Max Temp 300°C
Size 15mm to 150mm
Body Ductile Iron
Seat Stainless Steel
Nominal Pressure 16 Bar
Max Temp 300°C
| Application | Steam| Air| Water| Oil| Other compatible fluids |
|---|---|
| Max temperture | 300°C |
| Connection | Flanged DIN PN16 |
| Body | Ductile Iron |
| Bonnet | Stainless Steel |
| Valve | Stainless Steel |
| Valve Seat | Stainless Steel |
| Bellows | Stainless Steel (SUS316Ti) |

| Size | d | H | D1 | L | D | C | g | n-h | Kg |
|---|---|---|---|---|---|---|---|---|---|
| 15 | 15 | 178 | 125 | 130 | 95 | 65 | 46 | 4-14 | 3.2 |
| 20 | 20 | 178 | 125 | 150 | 105 | 75 | 56 | 4-14 | 3.9 |
| 25 | 25 | 193 | 125 | 160 | 115 | 85 | 65 | 4-14 | 4.6 |
| 32 | 32 | 201 | 125 | 180 | 140 | 100 | 76 | 4-19 | 6.5 |
| 40 | 40 | 224 | 150 | 200 | 150 | 110 | 84 | 4-19 | 9 |
| 50 | 50 | 228 | 150 | 230 | 165 | 125 | 99 | 4-19 | 11 |
| 65 | 65 | 270 | 180 | 290 | 185 | 145 | 118 | 4-19 | 15.8 |
| 80 | 80 | 295 | 200 | 310 | 200 | 160 | 132 | 8-19 | 20.5 |
| 100 | 100 | 321 | 250 | 350 | 220 | 180 | 156 | 8-19 | 35 |
| 125 | 125 | 388 | 300 | 400 | 250 | 210 | 184 | 8-19 | 49 |
| 150 | 150 | 448 | 400 | 480 | 285 | 240 | 211 | 8-23 | 76 |
| 200 | 200 | 575 | 500 | 600 | 340 | 295 | 266 | 12-23 | 130.5 |
All dimensions in mm unless shown otherwise.

| Number | Part | Material | Grade |
|---|---|---|---|
| 1 | Body | Cast Iron | FC250 |
| 2 | Valve Seat | Stianless Steel | SUS420J1 |
| 3 | Bonnet | Ductile Iron | FCD400 |
| 4 | Spindle | Stainless Steel | SUS420J1 |
| 5 | Handwheel | Steel | Steel |
| 6 | Gland | Seel | SUM24L |
| 7 | Valve | Stainless Steel | SUS420J1 |
| 8 | Bellows | Stainless Steel | SUS316Ti |
| 9 | Sleeve | Steel | ASUM24L |
| 10 | Gland Packing | Graphite | Graphite |
| 11 | Bonnet Gasket | Graphite + CRNiSt | Graphite + CRNiSt |
| 12 | Hexagon Bolt | Steel | Steel |