Features:
Size 1/2" to 2" BSP
Function Normally Open (power to close)
Valve Operation Servo Assisted
Body 316 Stainless Steel
Seat EPDM
Pressure Range 0.3 to 16 BAR
Media Potable Water
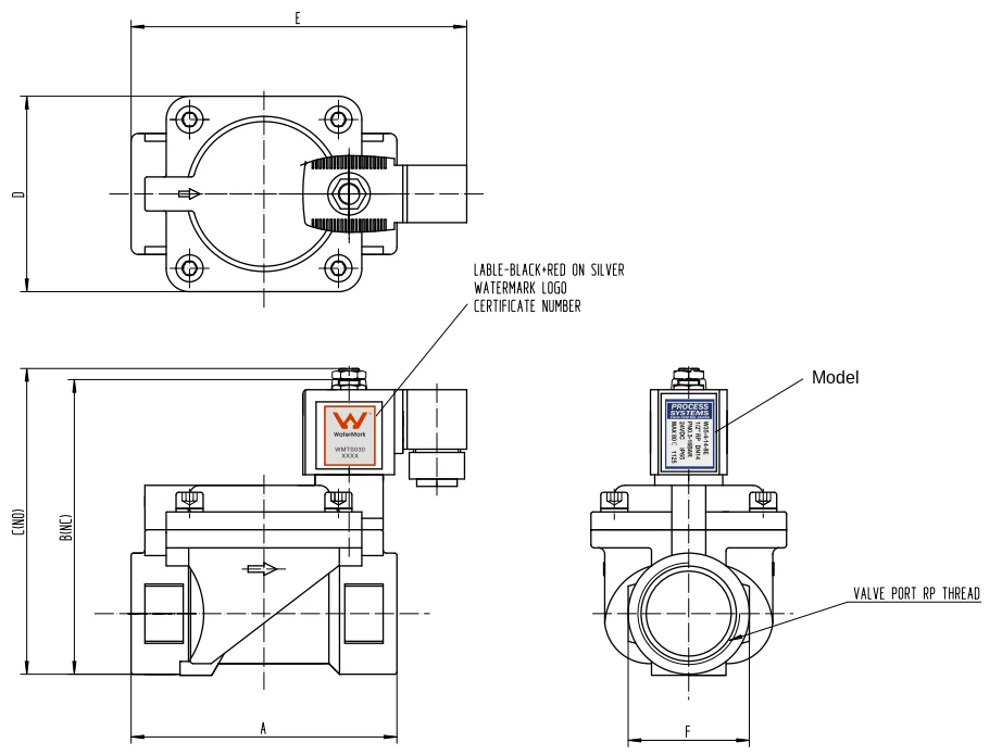
A 316 Stainless Steel Normally Open (power to close) Watermark approved solenoid valve. Great for potable water or any application where watermark approval is required (mains water in Australia). Comes with IP65 weather proof LED illuminated din plug and coil. Has a low pressure differential required making it suitable for applications such as rain water switch over and features a soft close design. Watermark Approval Licence Number WMK 26321 approved to WMTS 030:2016 - Solenoid Valves.
*Voltages available; 12vDC, 24vDC, 24vAC, 110vAC, 240vAC, 415vAC
For Installation and Maintenance instructions please click here or find in our References section under Valve Installation and Maintenance for Solenoid Valves.


| Moddel | Port Size (Rp) | Orrifice | A | C | D | E | F |
|---|---|---|---|---|---|---|---|
| W36-4-14-*E | 1/2 | 14 | 65 | 107.5 | 40 | 104 | 27 |
| W36-5-20-*E | 3/4 | 20 | 92 | 125 | 60 | 129 | 40 |
| W36-6-25-*E | 1 | 25 | 92 | 125 | 60 | 129 | 40 |
| W36-7-40-*E | 1 ¼ | 40 | 125 | 147.5 | 92 | 158 | 57 |
| W36-8-40-*E | 1 ½ | 40 | 125 | 147.5 | 92 | 158 | 57 |
| W36-9-50-*E | 2 | 50 | 150 | 165 | 108.5 | 179 | 70 |
All dimensions in mm unless shown otherwise.
Size 1/2" to 2" BSP
Function Normally Open (power to close)
Valve Operation Servo Assisted
Body 316 Stainless Steel
Seat EPDM
Pressure Range 0.3 to 16 BAR
Media Potable Water
Size 1/2" to 2" BSP
Function Normally Open (power to close)
Valve Operation Servo Assisted
Body 316 Stainless Steel
Seat EPDM
Pressure Range 0.3 to 16 BAR
Media Potable Water
A 316 Stainless Steel Normally Open (power to close) Watermark approved solenoid valve. Great for potable water or any application where watermark approval is required (mains water in Australia). Comes with IP65 weather proof LED illuminated din plug and coil. Has a low pressure differential required making it suitable for applications such as rain water switch over and features a soft close design. Watermark Approval Licence Number WMK 26321 approved to WMTS 030:2016 - Solenoid Valves.
*Voltages available; 12vDC, 24vDC, 24vAC, 110vAC, 240vAC, 415vAC
For Installation and Maintenance instructions please click here or find in our References section under Valve Installation and Maintenance for Solenoid Valves.


| Moddel | Port Size (Rp) | Orrifice | A | C | D | E | F |
|---|---|---|---|---|---|---|---|
| W36-4-14-*E | 1/2 | 14 | 65 | 107.5 | 40 | 104 | 27 |
| W36-5-20-*E | 3/4 | 20 | 92 | 125 | 60 | 129 | 40 |
| W36-6-25-*E | 1 | 25 | 92 | 125 | 60 | 129 | 40 |
| W36-7-40-*E | 1 ¼ | 40 | 125 | 147.5 | 92 | 158 | 57 |
| W36-8-40-*E | 1 ½ | 40 | 125 | 147.5 | 92 | 158 | 57 |
| W36-9-50-*E | 2 | 50 | 150 | 165 | 108.5 | 179 | 70 |
All dimensions in mm unless shown otherwise.