SKU: BLP

UV Stabilised PVC Manual Ball Valve

From $16.50

Inc GST
In Stock
Make an Enquiry

2 way UV stabilised PVC true union ball valve. Comes with PTFE (Teflon) seats and our unique double stem seal system (standard in EPDM but also available in Viton). ). Also features a chem lock insert In the end so the true union can be removed for service work and the ball will not leak when in the closed position. Great PVC ball valve for corrosive or chemical media where traditional material such as brass and stainless steel are not suitable. Commonly used in the aquaculture industry (sea water), chemical dosing, water treatment and pool filtration. Choose between Solvent Weld (ANSI Standard designed to fit Schdule 40 & 80 pipe) and BSP threaded ends (Threads conform to ISO 7.1 Sealing Threads.). Max Temp 60 Deg C.

Model Size DN(mm) Media Pressure Media Temperature Torque (Nm)
BLP4B-L-E 1/2 15 -1 to 10 Bar 0°C to 60°C 2
BLP5B-L-E 3/4 20 -1 to 10 Bar 0°C to 60°C 2.5
BLP6B-L-E 1 25 -1 to 10 Bar 0°C to 60°C 4
BLP7B-L-E 1 ¼ 32 -1 to 10 Bar 0°C to 60°C 5
BLP8B-L-E 1 ½ 40 -1 to 10 Bar 0°C to 60°C 7.5
BLP9B-L-E 2 50 -1 to 10 Bar 0°C to 60°C 8.5
BLP10B-L-E 2 ½ 65 -1 to 10 Bar 0°C to 60°C 13
BLP11B-L-E 3 80 -1 to 10 Bar 0°C to 60°C 16
BLP12B-L-E 4 100 -1 to 10 Bar 0°C to 60°C 25

Change the 'B' to an 'S' for solvent weld.

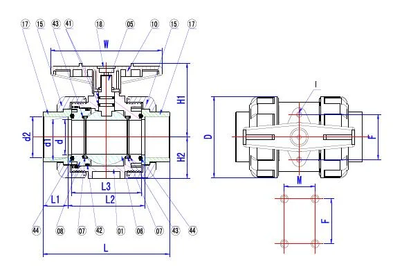
PVC Manual Ball Valve

Size d D d1 d2 L L2 L3 W H1 H2 F M I
1/2 15 54 24.4 21.25 110 60 52 84 52.5 27.5 31   M6
3/4 20 63 26.75 26.58 115 62 54 90 59 32 33   M6
1 25 73.5 33.52 33.28 130 70 62 106 67.5 37.5 40   M6
1 ¼ 32 84.5 42.28 42.05 142 78 70 116 77.5 42.75 52   M8
1 ½ 40 98 48.4 48.12 160 87.5 79.5 128 90 50 52   M8
2 50 118 60.45 60.18 173 95 85 140 106 60 70   M8
2 ½ 63 150 73.3 72.85 250 144.5 132 210 136.5 76.5 84 45 M10
3 75 169 89.25 88.7 270 166 150 235 149.5 86 84 45 M10
4 97 211 114.6 114.1 310 196 172 260 175 107 121 45 M12

 

Item Part Material
01 Body PVC
05 Stem PVC
06 Ball PVC
07 Seat PTFE
08 Seal Carrier PVC
10 Handle ABS
15 Union Nut PVC
17 Union End PVC
18 Cap ABS
41 O-ring EPDM (std) optional FKM
42 O-ring EPDM (std) optional FKM
43 O-ring EPDM (std) optional FKM
44 O-ring EPDM (std) optional FKM

Manual UPVC Ball Valve

Disassembly Instructions

UPVC Manual Ball Valve Construction

 

Step Instruction
A Pull out the handle
B Screw off Ends
C Turn the seal carrier in an anticlockwise direction
C1 Take out the Seat & O-ring
D Push the ball
E Remove the Ball
F Press the shaft
G Remove the Seat & O-ring

Size 1/2" to 4" BSP & Solvent Weld
Body UV stabalised PVC
Seat PTFE
Pressure 10 BAR
Temperature Ambient
Actuation Lever

DATA SHEET

Others Also Bought

.
.