Features:
Size 1/2" to 2" BSP & Solvent Weld
Body UV stabalised PVC
Seat PTFE
Pressure 10 BAR
Temperature Ambient
Actuation Lever
3 way UV stabilised PVC true union ball valve available in both L port and T port configurations. Comes with PTFE (Teflon) seats and our unique double stem seal system (standard in EPDM but also available in Viton). ). Also features a chem lock insert In the end so the true union can be removed for service work and the ball will not leak when in the closed position. Great PVC ball valve for corrosive or chemical media where traditional material such as brass and stainless steel are not suitable. Commonly used in the aquaculture industry (sea water), chemical dosing, water treatment and pool filtration. Choose between Solvent Weld (ANSI Standard designed to fit Schedule 40 & 80 pipe) and BSP threaded ends (Threads conform to ISO 7.1 Sealing Threads.). Includes ISO mounting kit.
| Model | Size | DN(mm) | Media Pressure | Media Temperature | Torque (Nm) |
|---|---|---|---|---|---|
| BLP3L4B-L-E | 1/2 | 15 | -1 to 10 Bar | Ambient | 3 |
| BLP3L5B-L-E | 3/4 | 20 | -1 to 10 Bar | Ambient | 5 |
| BLP3L6B-L-E | 1 | 25 | -1 to 10 Bar | Ambient | 6 |
| BLP3L7B-L-E | 1 ¼ | 32 | -1 to 10 Bar | Ambient | 6 |
| BLP3L8B-L-E | 1 ½ | 40 | -1 to 10 Bar | Ambient | 14 |
| BLP3L9B-L-E | 2 | 50 | -1 to 10 Bar | Ambient | 23 |
Change the 'B' to an 'S' for solvent weld. Change the 'L" to a 'T' for T port. Change the 'E' to 'V' for FKM.
| L Port | T Port |
|---|---|
![]() |
![]() |
.webp)
| Model | A | B | C | D | E | W | L | L1 |
|---|---|---|---|---|---|---|---|---|
| BLP3L4B-L-E | 14 | 55 | 30 | 14 | 23 | 53 | 138 | 83 |
| BLP3L5B-L-E | 14 | 65 | 38 | 20 | 25 | 69 | 173 | 110 |
| BLP3L6B-L-E | 14 | 68 | 48 | 25 | 28 | 82 | 200 | 130 |
| BLP3L7B-L-E | 14 | 68 | 48 | 25 | 32 | 82 | 208 | 130 |
| BLP3L8B-L-E | 14 | 92 | 65 | 38 | 35 | 117 | 240 | 154 |
| BLP3L9B-L-E | 14 | 92 | 65 | 38 | 38 | 117 | 249 | 154 |
Top View/Pad Mount
| Model | N-M | F | E |
|---|---|---|---|
| BLP3L4B-L-E | 4-M5 | F03 | 11x11 |
| BLP3L5B-L-E | 4-M5 | F03 | 11x11 |
| BLP3L6B-L-E | 4-M5 | F03 | 11x11 |
| BLP3L7B-L-E | 4-M5 | F03 | 11x11 |
| BLP3L8B-L-E | 4-8 | F07 | 11x11 |
| BLP3L9B-L-E | 4-8 | F07 | 11x11 |
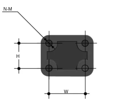
Underside Fixing
.webp)
| Model | N-M | H | W |
|---|---|---|---|
| BLP3L4B-L-E | 4-M6 | 18 | 26 |
| BLP3L5B-L-E | 4-M6 | 18 | 26 |
| BLP3L6B-L-E | 4-M6 | 24 | 36 |
| BLP3L7B-L-E | 4-M6 | 24 | 36 |
| BLP3L8B-L-E | 4-M8 | 30 | 50 |
| BLP3L9B-L-E | 4-M8 | 30 | 50 |
All dimensions in mm unless shown otherwise.
Size 1/2" to 2" BSP & Solvent Weld
Body UV stabalised PVC
Seat PTFE
Pressure 10 BAR
Temperature Ambient
Actuation Lever
Size 1/2" to 2" BSP & Solvent Weld
Body UV stabalised PVC
Seat PTFE
Pressure 10 BAR
Temperature Ambient
Actuation Lever
3 way UV stabilised PVC true union ball valve available in both L port and T port configurations. Comes with PTFE (Teflon) seats and our unique double stem seal system (standard in EPDM but also available in Viton). ). Also features a chem lock insert In the end so the true union can be removed for service work and the ball will not leak when in the closed position. Great PVC ball valve for corrosive or chemical media where traditional material such as brass and stainless steel are not suitable. Commonly used in the aquaculture industry (sea water), chemical dosing, water treatment and pool filtration. Choose between Solvent Weld (ANSI Standard designed to fit Schedule 40 & 80 pipe) and BSP threaded ends (Threads conform to ISO 7.1 Sealing Threads.). Includes ISO mounting kit.
| Model | Size | DN(mm) | Media Pressure | Media Temperature | Torque (Nm) |
|---|---|---|---|---|---|
| BLP3L4B-L-E | 1/2 | 15 | -1 to 10 Bar | Ambient | 3 |
| BLP3L5B-L-E | 3/4 | 20 | -1 to 10 Bar | Ambient | 5 |
| BLP3L6B-L-E | 1 | 25 | -1 to 10 Bar | Ambient | 6 |
| BLP3L7B-L-E | 1 ¼ | 32 | -1 to 10 Bar | Ambient | 6 |
| BLP3L8B-L-E | 1 ½ | 40 | -1 to 10 Bar | Ambient | 14 |
| BLP3L9B-L-E | 2 | 50 | -1 to 10 Bar | Ambient | 23 |
Change the 'B' to an 'S' for solvent weld. Change the 'L" to a 'T' for T port. Change the 'E' to 'V' for FKM.
| L Port | T Port |
|---|---|
![]() |
![]() |
.webp)
| Model | A | B | C | D | E | W | L | L1 |
|---|---|---|---|---|---|---|---|---|
| BLP3L4B-L-E | 14 | 55 | 30 | 14 | 23 | 53 | 138 | 83 |
| BLP3L5B-L-E | 14 | 65 | 38 | 20 | 25 | 69 | 173 | 110 |
| BLP3L6B-L-E | 14 | 68 | 48 | 25 | 28 | 82 | 200 | 130 |
| BLP3L7B-L-E | 14 | 68 | 48 | 25 | 32 | 82 | 208 | 130 |
| BLP3L8B-L-E | 14 | 92 | 65 | 38 | 35 | 117 | 240 | 154 |
| BLP3L9B-L-E | 14 | 92 | 65 | 38 | 38 | 117 | 249 | 154 |
Top View/Pad Mount
| Model | N-M | F | E |
|---|---|---|---|
| BLP3L4B-L-E | 4-M5 | F03 | 11x11 |
| BLP3L5B-L-E | 4-M5 | F03 | 11x11 |
| BLP3L6B-L-E | 4-M5 | F03 | 11x11 |
| BLP3L7B-L-E | 4-M5 | F03 | 11x11 |
| BLP3L8B-L-E | 4-8 | F07 | 11x11 |
| BLP3L9B-L-E | 4-8 | F07 | 11x11 |
Underside Fixing
.webp)
| Model | N-M | H | W |
|---|---|---|---|
| BLP3L4B-L-E | 4-M6 | 18 | 26 |
| BLP3L5B-L-E | 4-M6 | 18 | 26 |
| BLP3L6B-L-E | 4-M6 | 24 | 36 |
| BLP3L7B-L-E | 4-M6 | 24 | 36 |
| BLP3L8B-L-E | 4-M8 | 30 | 50 |
| BLP3L9B-L-E | 4-M8 | 30 | 50 |
All dimensions in mm unless shown otherwise.