Features:
Size 50mm to 300mm
Flange ANSI 150
Body 316 Stainless Steel
Seat Metal
Pressure Range 0 to 20 BAR
Temperature 0 to 220°C
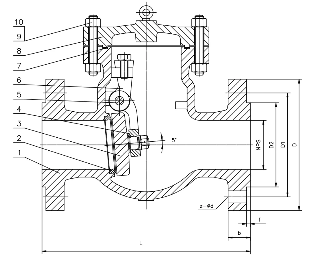
ANSI 150 Flanged Stainless Steel Swing Check Valve. Allows for a large flow rate and little head loss/pressure drop across the valve due to the full bore design and recess for the disc to sit in when fully open. Designed to ASME B16.34 standard, flanges according to ASME/ANSI B16.5, face to face according to ASME B16.10, testing and inspection according to API598. Ideally suited for liquid fuels, diesel and oils.

| Model | NPS | L | D | D1 | D2 | b | f | z-d |
|---|---|---|---|---|---|---|---|---|
| SCFS-050 | 2" | 203 | 150 | 120.7 | 92.1 | 16.3 | 2 | 4-19 |
| SCFS-065 | 2 1/2" | 216 | 180 | 139.7 | 104.8 | 17.9 | 2 | 4-19 |
| SCFS-080 | 3" | 241 | 190 | 152.4 | 127 | 19.5 | 2 | 4-19 |
| SCFS-100 | 4" | 292 | 230 | 190.5 | 157.2 | 24.3 | 2 | 8-19 |
| SCFS-150 | 6" | 356 | 280 | 241.3 | 215.9 | 25.9 | 2 | 8-22 |
| SCFS-200 | 8" | 495 | 345 | 298.5 | 269.9 | 29 | 2 | 8-22 |
| SCFS-250 | 10" | 622 | 405 | 362 | 323.8 | 30.6 | 2 | 12-26 |
| SCFS-300 | 12" | 699 | 485 | 431.8 | 381 | 32.2 | 2 | 12-26 |
All dimensions in mm unless shown otherwise.

| Number | Name | Material |
|---|---|---|
| 1 | Body | ASTM A351-CF8M |
| 2 | Seat | Integral Material |
| 3 | Disc | ASTM A351-CF8M |
| 4 | Hinge | ASTM A351-CF8M |
| 5 | Hinge Pin | ASTM A276-316 |
| 6 | Support | ASTM A351-CF8M |
| 7 | Gasket | 316/Graphite |
| 8 | Bonnet | ASTM A351-CF8M |
| 9 | Bonnet Bolt | ASTM A193 Gr.B8 |
| 10 | Bonnet Bolt Nut | ASTM A194 Gr.8 |
Size 50mm to 300mm
Flange ANSI 150
Body 316 Stainless Steel
Seat Metal
Pressure Range 0 to 20 BAR
Temperature 0 to 220°C
Size 50mm to 300mm
Flange ANSI 150
Body 316 Stainless Steel
Seat Metal
Pressure Range 0 to 20 BAR
Temperature 0 to 220°C
ANSI 150 Flanged Stainless Steel Swing Check Valve. Allows for a large flow rate and little head loss/pressure drop across the valve due to the full bore design and recess for the disc to sit in when fully open. Designed to ASME B16.34 standard, flanges according to ASME/ANSI B16.5, face to face according to ASME B16.10, testing and inspection according to API598. Ideally suited for liquid fuels, diesel and oils.

| Model | NPS | L | D | D1 | D2 | b | f | z-d |
|---|---|---|---|---|---|---|---|---|
| SCFS-050 | 2" | 203 | 150 | 120.7 | 92.1 | 16.3 | 2 | 4-19 |
| SCFS-065 | 2 1/2" | 216 | 180 | 139.7 | 104.8 | 17.9 | 2 | 4-19 |
| SCFS-080 | 3" | 241 | 190 | 152.4 | 127 | 19.5 | 2 | 4-19 |
| SCFS-100 | 4" | 292 | 230 | 190.5 | 157.2 | 24.3 | 2 | 8-19 |
| SCFS-150 | 6" | 356 | 280 | 241.3 | 215.9 | 25.9 | 2 | 8-22 |
| SCFS-200 | 8" | 495 | 345 | 298.5 | 269.9 | 29 | 2 | 8-22 |
| SCFS-250 | 10" | 622 | 405 | 362 | 323.8 | 30.6 | 2 | 12-26 |
| SCFS-300 | 12" | 699 | 485 | 431.8 | 381 | 32.2 | 2 | 12-26 |
All dimensions in mm unless shown otherwise.

| Number | Name | Material |
|---|---|---|
| 1 | Body | ASTM A351-CF8M |
| 2 | Seat | Integral Material |
| 3 | Disc | ASTM A351-CF8M |
| 4 | Hinge | ASTM A351-CF8M |
| 5 | Hinge Pin | ASTM A276-316 |
| 6 | Support | ASTM A351-CF8M |
| 7 | Gasket | 316/Graphite |
| 8 | Bonnet | ASTM A351-CF8M |
| 9 | Bonnet Bolt | ASTM A193 Gr.B8 |
| 10 | Bonnet Bolt Nut | ASTM A194 Gr.8 |