Features:
Size 50mm to 300mm
Body Carbon Steel
Mesh 304 Stainless Steel
Pressure Range 0 to 50 BAR @ ambient
Flanged ANSI 300
Factory Accredited CE, ISO 9001, TUV, WRAS
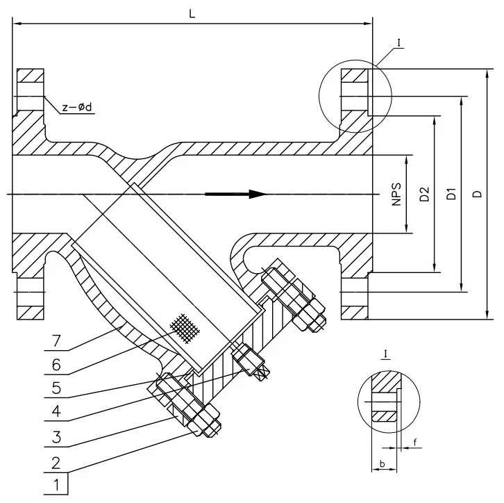
Carbon Steel ANSI 300 Flanged Y Strainer with 304 stainless steel screen and fasteners. Designed to ASME B16.34, RF Flanged ends to ASME B16.5, tested to API598.
| Model | DN | Pressure Range (at Ambient Temp) | Media Temp | Weight (kg) | Mesh |
|---|---|---|---|---|---|
| YSWF3-050 | 50 | 0 to 50 Bar | 315°C at 38 Bar | 11.5 | 40 |
| YSWF3-065 | 65 | 0 to 50 Bar | 315°C at 38 Bar | 29 | 40 |
| YSWF3-080 | 80 | 0 to 50 Bar | 315°C at 38 Bar | 38 | 40 |
| YSWF3-100 | 100 | 0 to 50 Bar | 315°C at 38 Bar | 57 | 40 |
| YSWF3-150 | 150 | 0 to 50 Bar | 315°C at 38 Bar | 105 | 40 |
| YSWF3-200 | 200 | 0 to 50 Bar | 315°C at 38 Bar | 176 | 40 |
| YSWF3-250 | 250 | 0 to 50 Bar | 315°C at 38 Bar | 230 | 40 |
| YSWF3-300 | 300 | 0 to 50 Bar | 315°C at 38 Bar | 360 | 40 |

| Model | NPS | L | D | D1 | D2 | b | f | z-⌀d |
|---|---|---|---|---|---|---|---|---|
| YSWF3-050 | 2" | 267 | 165 | 127 | 92.1 | 20.7 | 2 | 8-19 |
| YSWF3-065 | 2-1/2" | 292 | 190 | 149.2 | 104.8 | 23.9 | 2 | 8-22 |
| YSWF3-080 | 3" | 318 | 210 | 168.3 | 127 | 27 | 2 | 8-22 |
| YSWF3-100 | 4" | 356 | 255 | 200 | 157.2 | 30.2 | 2 | 8-22 |
| YSWF3-150 | 6" | 444 | 320 | 269.9 | 215.9 | 35 | 2 | 12-22 |
| YSWF3-200 | 8" | 559 | 380 | 330.2 | 269.9 | 39.7 | 2 | 12-26 |
| YSWF3-250 | 10" | 622 | 445 | 387.4 | 323.8 | 46.1 | 2 | 16-29 |
| YSWF3-300 | 12" | 711 | 520 | 450.8 | 381 | 49.3 | 2 | 16-32 |

| No | Part Name | Material |
|---|---|---|
| 1 | Bonnet Bolt Nut | ASTM A194 Gr.2H |
| 2 | Bonnet Bolt | ASTM A193 Gr.B7 |
| 3 | Bonnet | Carbon Steel |
| 4 | Plug Fitting | Carbon Steel |
| 5 | Gasket | Flexible Graphite/304 |
| 6 | Filter Screen | SS304 |
| 7 | Body | ASTM A216-WCB |
Size 50mm to 300mm
Body Carbon Steel
Mesh 304 Stainless Steel
Pressure Range 0 to 50 BAR @ ambient
Flanged ANSI 300
Factory Accredited CE, ISO 9001, TUV, WRAS
Size 50mm to 300mm
Body Carbon Steel
Mesh 304 Stainless Steel
Pressure Range 0 to 50 BAR @ ambient
Flanged ANSI 300
Factory Accredited CE, ISO 9001, TUV, WRAS
Carbon Steel ANSI 300 Flanged Y Strainer with 304 stainless steel screen and fasteners. Designed to ASME B16.34, RF Flanged ends to ASME B16.5, tested to API598.
| Model | DN | Pressure Range (at Ambient Temp) | Media Temp | Weight (kg) | Mesh |
|---|---|---|---|---|---|
| YSWF3-050 | 50 | 0 to 50 Bar | 315°C at 38 Bar | 11.5 | 40 |
| YSWF3-065 | 65 | 0 to 50 Bar | 315°C at 38 Bar | 29 | 40 |
| YSWF3-080 | 80 | 0 to 50 Bar | 315°C at 38 Bar | 38 | 40 |
| YSWF3-100 | 100 | 0 to 50 Bar | 315°C at 38 Bar | 57 | 40 |
| YSWF3-150 | 150 | 0 to 50 Bar | 315°C at 38 Bar | 105 | 40 |
| YSWF3-200 | 200 | 0 to 50 Bar | 315°C at 38 Bar | 176 | 40 |
| YSWF3-250 | 250 | 0 to 50 Bar | 315°C at 38 Bar | 230 | 40 |
| YSWF3-300 | 300 | 0 to 50 Bar | 315°C at 38 Bar | 360 | 40 |

| Model | NPS | L | D | D1 | D2 | b | f | z-⌀d |
|---|---|---|---|---|---|---|---|---|
| YSWF3-050 | 2" | 267 | 165 | 127 | 92.1 | 20.7 | 2 | 8-19 |
| YSWF3-065 | 2-1/2" | 292 | 190 | 149.2 | 104.8 | 23.9 | 2 | 8-22 |
| YSWF3-080 | 3" | 318 | 210 | 168.3 | 127 | 27 | 2 | 8-22 |
| YSWF3-100 | 4" | 356 | 255 | 200 | 157.2 | 30.2 | 2 | 8-22 |
| YSWF3-150 | 6" | 444 | 320 | 269.9 | 215.9 | 35 | 2 | 12-22 |
| YSWF3-200 | 8" | 559 | 380 | 330.2 | 269.9 | 39.7 | 2 | 12-26 |
| YSWF3-250 | 10" | 622 | 445 | 387.4 | 323.8 | 46.1 | 2 | 16-29 |
| YSWF3-300 | 12" | 711 | 520 | 450.8 | 381 | 49.3 | 2 | 16-32 |

| No | Part Name | Material |
|---|---|---|
| 1 | Bonnet Bolt Nut | ASTM A194 Gr.2H |
| 2 | Bonnet Bolt | ASTM A193 Gr.B7 |
| 3 | Bonnet | Carbon Steel |
| 4 | Plug Fitting | Carbon Steel |
| 5 | Gasket | Flexible Graphite/304 |
| 6 | Filter Screen | SS304 |
| 7 | Body | ASTM A216-WCB |