Features:
Size 50mm to 600mm
Body FBE Coated Ductile Iron
Seat EPDM or FKM
Disc 316 Stainless Steel
Pressure Up to 16 BAR (depending upon size)
Actuation Double Acting Pneumatic
Watermark, StandardsMark & WSAA Approved
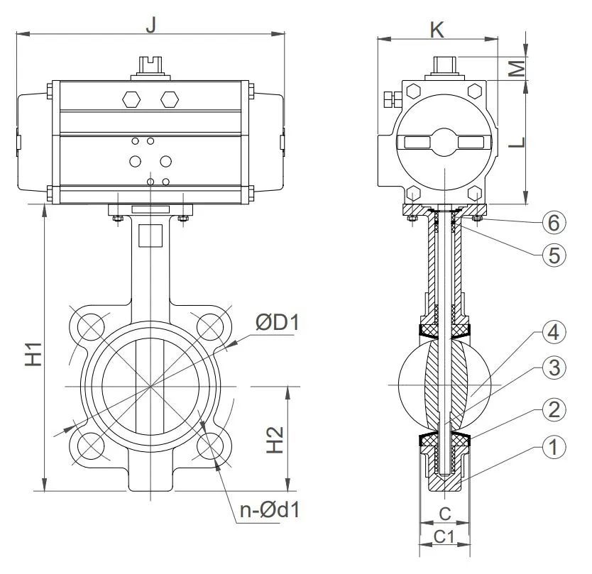
The BFD (supercedes the BFK) series has a ductile iron body, 316 S.S disc, EPDM seat (as standard but also available in FKM) and a double acting pneumatic actuator making it suited to a wide range of industrial applications. These are Watermark, Standards Mark and WSAA (Water Service Association of Australia) certified (with and EPDM seat). These wafer butterfly valves will fit all standard flanges (DIN PN6/PN10/PN16/PN25, ANSI 150, JIS 5k/10k, AS2129 Table D/E) and are operated by a high quality double acting (rack and pionion design) anodised aluminium pneumatic actuator. The unique bonded catridge design of the butterfly valve gives it a longer life span, allows vacuum to be run through it and enables the seat to be replaceable if ever the need should arise. Designed & manufactured in accordance with API609, inspected and tested in accordance with API598. Common applications include water trucks, irrigation, irrigation and other industrial applications. If sizes above 600mm or extension shafts are required please contact us. Please note that different sizes have different numbers of guide holes on the outside of the valve. The above is a photo of just one size so yours may look different depending upon the size.
For sizes over 600mm or different seat material please contact us.

| Model | DN | Actuator | C | C1 | H1 | H2 | J | K | L | M | AS2129 Table D | AS2129 Table E | ANSI150 | |||
|---|---|---|---|---|---|---|---|---|---|---|---|---|---|---|---|---|
| ØD1 | n-Ød1 | ØD1 | n-Ød1 | ØD1 | n-Ød1 | |||||||||||
| BFD50-DA-E | 50 | DA50 | 42 | 46.1 | 225 | 70 | 138 | 71 | 70 | 20 | 114 | 4-18 | 114 | 4-18 | 120.5 | 4-19 |
| BFD65-DA-E | 65 | DA50 | 44.7 | 49.1 | 245 | 77 | 138 | 71 | 70 | 20 | 127 | 4-18 | 127 | 4-18 | 139.5 | 4-19 |
| BFD80-DA-E | 80 | DA63 | 45.2 | 48.4 | 261 | 87 | 162 | 80.5 | 80 | 20 | 146 | 4-18 | 146 | 4-18 | 152.5 | 4-19 |
| BFD100-DA-E | 100 | DA75 | 52.1 | 55.3 | 305 | 112 | 208 | 94.5 | 97 | 20 | 178 | 4-18 | 178 | 4(8)-18 | 190.5 | 4(8)-19 |
| BFD125-DA-E | 125 | DA88 | 54.4 | 58.8 | 332 | 128 | 245 | 109 | 116 | 20 | 210 | 4(8)-18 | 210 | 4(8)-18 | 216 | 4(8)-22 |
| BFD150-DA-E | 150 | DA88 | 55.8 | 59.1 | 361 | 143 | 266 | 123 | 122 | 20 | 235 | 4(8)-18 | 235 | 4(8)-22 | 241.5 | 4(8)-22 |
| BFD200-DA-E | 200 | DA115 | 60.6 | 64.1 | 423 | 173 | 310 | 137 | 142 | 30 | 292 | 4(8)-18 | 292 | 4(8)-22 | 298.5 | 4(8)-22 |
| BFD250-DA-E | 250 | DA125 | 65.6 | 71.8 | 499 | 210 | 340 | 148 | 154 | 30 | 356 | 4(8)-22 | 356 | 4(12)-22 | 362 | 4(12)-25 |
| BFD300-DA-E | 300 | DA145 | 76.9 | 81 | 578 | 244 | 401 | 168.5 | 179 | 30 | 406 | 4(12)-22 | 406 | 4(12)-26 | 432 | 4(12)-25 |
| BFD350-DA-E | 350 | DA180 | 76.5 | 79.5 | 635 | 267 | 482 | 204 | 222 | 30 | 470 | 4(12)-26 | 470 | 4(12)-26 | 476 | 4(12)-29 |
| BFD400-DA-E | 400 | DA200 | 86.5 | 90 | 697 | 297 | 532 | 224 | 244 | 30 | 521 | 4(12)-26 | 521 | 4(12)-26 | 539.5 | 4(16)-29 |
| BFD450-DA-E | 450 | DA200 | 105.6 | 109 | 737 | 315 | 532 | 224 | 244 | 30 | 584 | 4(12)-26 | 584 | 4(12)-26 | 578 | 4(16)-32 |
| BFD500-DA-E | 500 | DA240 | 131.8 | 135 | 840 | 360 | 662 | 266 | 288 | 30 | 641 | 4(16)-26 | 641 | 4(16)-26 | 635 | 4(20)-32 |
| BFD600-DA-E | 600 | DA270 | 152 | 156 | 1006 | 444 | 730 | 306 | 323 | 30 | 756 | 4(16)-30 | 756 | 4(16)-33 | 749.5 | 4(20)-35 |
All dimensions in mm unless specified otherwise

| Item | Description | Material |
|---|---|---|
| 1 | Body | Ductile Iron (Fusion Bonded Epoxy Coated) |
| 2 | Seat | EPDM |
| 3 | Shaft | SS431 |
| 4 | Disc | CF8M |
| 5 | Bushing | PTFE |
| 6 | O Ring | NBR |
| Pneumatic Actuator | Anodized Aluminium |
Size 50mm to 600mm
Body FBE Coated Ductile Iron
Seat EPDM or FKM
Disc 316 Stainless Steel
Pressure Up to 16 BAR (depending upon size)
Actuation Double Acting Pneumatic
Watermark, StandardsMark & WSAA Approved
Size 50mm to 600mm
Body FBE Coated Ductile Iron
Seat EPDM or FKM
Disc 316 Stainless Steel
Pressure Up to 16 BAR (depending upon size)
Actuation Double Acting Pneumatic
Watermark, StandardsMark & WSAA Approved
The BFD (supercedes the BFK) series has a ductile iron body, 316 S.S disc, EPDM seat (as standard but also available in FKM) and a double acting pneumatic actuator making it suited to a wide range of industrial applications. These are Watermark, Standards Mark and WSAA (Water Service Association of Australia) certified (with and EPDM seat). These wafer butterfly valves will fit all standard flanges (DIN PN6/PN10/PN16/PN25, ANSI 150, JIS 5k/10k, AS2129 Table D/E) and are operated by a high quality double acting (rack and pionion design) anodised aluminium pneumatic actuator. The unique bonded catridge design of the butterfly valve gives it a longer life span, allows vacuum to be run through it and enables the seat to be replaceable if ever the need should arise. Designed & manufactured in accordance with API609, inspected and tested in accordance with API598. Common applications include water trucks, irrigation, irrigation and other industrial applications. If sizes above 600mm or extension shafts are required please contact us. Please note that different sizes have different numbers of guide holes on the outside of the valve. The above is a photo of just one size so yours may look different depending upon the size.
For sizes over 600mm or different seat material please contact us.

| Model | DN | Actuator | C | C1 | H1 | H2 | J | K | L | M | AS2129 Table D | AS2129 Table E | ANSI150 | |||
|---|---|---|---|---|---|---|---|---|---|---|---|---|---|---|---|---|
| ØD1 | n-Ød1 | ØD1 | n-Ød1 | ØD1 | n-Ød1 | |||||||||||
| BFD50-DA-E | 50 | DA50 | 42 | 46.1 | 225 | 70 | 138 | 71 | 70 | 20 | 114 | 4-18 | 114 | 4-18 | 120.5 | 4-19 |
| BFD65-DA-E | 65 | DA50 | 44.7 | 49.1 | 245 | 77 | 138 | 71 | 70 | 20 | 127 | 4-18 | 127 | 4-18 | 139.5 | 4-19 |
| BFD80-DA-E | 80 | DA63 | 45.2 | 48.4 | 261 | 87 | 162 | 80.5 | 80 | 20 | 146 | 4-18 | 146 | 4-18 | 152.5 | 4-19 |
| BFD100-DA-E | 100 | DA75 | 52.1 | 55.3 | 305 | 112 | 208 | 94.5 | 97 | 20 | 178 | 4-18 | 178 | 4(8)-18 | 190.5 | 4(8)-19 |
| BFD125-DA-E | 125 | DA88 | 54.4 | 58.8 | 332 | 128 | 245 | 109 | 116 | 20 | 210 | 4(8)-18 | 210 | 4(8)-18 | 216 | 4(8)-22 |
| BFD150-DA-E | 150 | DA88 | 55.8 | 59.1 | 361 | 143 | 266 | 123 | 122 | 20 | 235 | 4(8)-18 | 235 | 4(8)-22 | 241.5 | 4(8)-22 |
| BFD200-DA-E | 200 | DA115 | 60.6 | 64.1 | 423 | 173 | 310 | 137 | 142 | 30 | 292 | 4(8)-18 | 292 | 4(8)-22 | 298.5 | 4(8)-22 |
| BFD250-DA-E | 250 | DA125 | 65.6 | 71.8 | 499 | 210 | 340 | 148 | 154 | 30 | 356 | 4(8)-22 | 356 | 4(12)-22 | 362 | 4(12)-25 |
| BFD300-DA-E | 300 | DA145 | 76.9 | 81 | 578 | 244 | 401 | 168.5 | 179 | 30 | 406 | 4(12)-22 | 406 | 4(12)-26 | 432 | 4(12)-25 |
| BFD350-DA-E | 350 | DA180 | 76.5 | 79.5 | 635 | 267 | 482 | 204 | 222 | 30 | 470 | 4(12)-26 | 470 | 4(12)-26 | 476 | 4(12)-29 |
| BFD400-DA-E | 400 | DA200 | 86.5 | 90 | 697 | 297 | 532 | 224 | 244 | 30 | 521 | 4(12)-26 | 521 | 4(12)-26 | 539.5 | 4(16)-29 |
| BFD450-DA-E | 450 | DA200 | 105.6 | 109 | 737 | 315 | 532 | 224 | 244 | 30 | 584 | 4(12)-26 | 584 | 4(12)-26 | 578 | 4(16)-32 |
| BFD500-DA-E | 500 | DA240 | 131.8 | 135 | 840 | 360 | 662 | 266 | 288 | 30 | 641 | 4(16)-26 | 641 | 4(16)-26 | 635 | 4(20)-32 |
| BFD600-DA-E | 600 | DA270 | 152 | 156 | 1006 | 444 | 730 | 306 | 323 | 30 | 756 | 4(16)-30 | 756 | 4(16)-33 | 749.5 | 4(20)-35 |
All dimensions in mm unless specified otherwise

| Item | Description | Material |
|---|---|---|
| 1 | Body | Ductile Iron (Fusion Bonded Epoxy Coated) |
| 2 | Seat | EPDM |
| 3 | Shaft | SS431 |
| 4 | Disc | CF8M |
| 5 | Bushing | PTFE |
| 6 | O Ring | NBR |
| Pneumatic Actuator | Anodized Aluminium |