Features:
Size 1/2" to 2" BSPT
Body Ductile Iron
Application Steam
Inlet Pressure Range 1 to 20 Bar
Outlet Pressure Range 0.2 to 14 BAR
Temperature 0°C to 220°C
Yoshitake Japan GP-2000 Pressure Reducing Valve for Steam Applications.
Application | Steam |
---|---|
Type | Pilot operated diaphragm |
Inlet Pressure | 1 to 20 Bar |
Reduced Pressure | 0.2 to 17 Bar |
Connection | BSPT (ISO7.1 Rc) |
Adjustable Reduced Pressure | 85% or less of inlet pressure |
Minimum Differential Pressure | 0.5 Bar |
Maximum Pressure Reduction Ratio | 20:1 |
Temperature | 0 to 220°C |
Body | Ductile Iron |
Valve & Seat | Stainless Steel |
Pilot Valve & Seat | Stainless Steel |
Diaphragm | Brass or Bronze |
Flow Rate in Kilograms per Hour
P1(MPa) | P2(MPa) | 1/2" | 3/4" | 1" | 1-1/4" | 1-1/2" | 2" |
---|---|---|---|---|---|---|---|
2 | 0.1-0.9 | 1260 | 1814 | 2746 | 3606 | 4737 | 8064 |
1 | 1232 | 1775 | 2687 | 3525 | 4634 | 7889 | |
1.2 | 1136 | 1636 | 2477 | 3250 | 4273 | 7273 | |
1.4 | 1012 | 1458 | 2207 | 2896 | 3808 | 6481 | |
1.8 | 0.1-0.8 | 1140 | 1641 | 2485 | 3260 | 4286 | 7296 |
0.9 | 1113 | 1603 | 2426 | 3183 | 4185 | 7125 | |
1 | 1067 | 1537 | 2327 | 3053 | 4014 | 6832 | |
1.2 | 954 | 1374 | 2081 | 2730 | 3590 | 6111 | |
1.4 | 803 | 1157 | 1751 | 2298 | 3021 | 5143 | |
1.6 | 0.1-0.7 | 1020 | 1468 | 2223 | 2917 | 3835 | 6528 |
1 | 893 | 1286 | 1947 | 2554 | 3358 | 5716 | |
1.3 | 664 | 956 | 1448 | 1900 | 2498 | 4253 | |
1.4 | 0.1-0.6 | 900 | 1296 | 1962 | 2574 | 3384 | 5760 |
1 | 702 | 1011 | 1531 | 2009 | 2642 | 4497 | |
1.1 | 620 | 893 | 1352 | 1773 | 2331 | 3969 | |
1.2 | 0.1-0.5 | 780 | 1123 | 1700 | 2230 | 2932 | 4992 |
1 | 477 | 687 | 1040 | 1365 | 1795 | 3055 | |
1 | 0.1-0.4 | 660 | 950 | 1438 | 1887 | 2481 | 4224 |
0.5 | 635 | 914 | 1385 | 1817 | 2388 | 4066 | |
0.8 | 435 | 627 | 950 | 1246 | 1638 | 2789 | |
0.9 | 0.1-0.4 | 600 | 864 | 1308 | 1716 | 2256 | 3840 |
0.5 | 551 | 793 | 1201 | 1576 | 2072 | 3528 | |
0.7 | 413 | 595 | 901 | 1182 | 1554 | 2646 | |
0.8 | 0.1-0.3 | 540 | 777 | 1177 | 1544 | 2030 | 3456 |
0.5 | 462 | 665 | 1007 | 1322 | 1738 | 2958 | |
0.7 | 0.1-0.3 | 480 | 691 | 1046 | 1372 | 1804 | 3072 |
0.5 | 364 | 525 | 794 | 1042 | 1371 | 2333 | |
0.6 | 0.1-0.2 | 420 | 604 | 915 | 1201 | 1579 | 2688 |
0.3 | 395 | 570 | 862 | 1132 | 1488 | 2533 | |
0.5 | 248 | 357 | 541 | 710 | 934 | 1590 | |
0.5 | 0.1-0.2 | 360 | 518 | 784 | 1029 | 1353 | 2304 |
0.3 | 308 | 443 | 671 | 881 | 1158 | 1972 | |
0.4 | 228 | 329 | 498 | 653 | 859 | 1462 | |
0.4 | 0.05-0.15 | 300 | 432 | 654 | 858 | 1128 | 1920 |
0.3 | 206 | 297 | 450 | 591 | 777 | 1323 | |
0.3 | 0.05-0.1 | 240 | 345 | 523 | 686 | 902 | 1536 |
0.2 | 182 | 262 | 397 | 521 | 685 | 1166 | |
0.2 | 0.05 | 180 | 259 | 392 | 515 | 677 | 1152 |
0.1 | 154 | 221 | 335 | 440 | 579 | 986 | |
0.1 | 0.05 | 91 | 131 | 198 | 260 | 342 | 583 |
*P1 = inlet pressure, P2= Outlet pressure
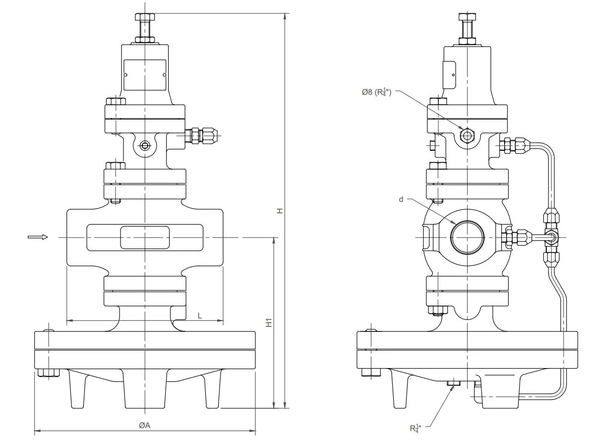
Size (d) | L | H | H1 | A | Weight (kg) | Cv value |
---|---|---|---|---|---|---|
1/2" BSPT | 150 | 398 | 170 | 200 | 14 | 5 |
3/4" BSPT | 155 | 398 | 170 | 200 | 14 | 7.2 |
1" BSPT | 160 | 404 | 175 | 226 | 18.5 | 10.9 |
1-1/4" BSPT | 190 | 434 | 192 | 226 | 21.5 | 14.3 |
1-1/2" BSPT | 190 | 434 | 192 | 226 | 21.5 | 18.8 |
2" BSPT | 220 | 498 | 216 | 276 | 33 | 32 |
All dimensions are in mm unless specified otherwise
15mm to 40mm
Number | Part | Material | Grade | Qty |
---|---|---|---|---|
1 | Body | Ductile Cast Iron | FCD450 | 1 |
2 | Pilot Body | Ductile Cast Iron | FCD450 | 1 |
3 | Spring Chamber | Cast Iron | FC200 | 1 |
4 | Top Diaphragm Case | Ductile Cast Iron | FCD450 | 1 |
5 | Bottom Diaphragm Case | Ductile Cast Iron | FCD450 | 1 |
6 | Main Valve | Stainless Steel | SUS420J2 | 1 |
7 | Main Valve Seat | Stainless Steel | SUS420J2 | 1 |
8 | Gasket | Copper | C1100 | 1 |
9 | Main Spindle | Stainless Steel | SUS403 | 1 |
10 | Guide | Stainless Steel | SUS420J2 | 1 |
11 | Retainer | Brass or Bronze | C3771 or CAC406 | 1 |
12 | Main Diaphragm | Stainless Steel | SUS301 | 2 |
13 | Spring | Stainless Steel | SUS304 | 1 |
14 | Spring Plate | Brass | C3604 | 1 |
15 | Screen | Stainless Steel | SUS304 | 1 |
16 | Gasket | Non Asbestos | Non Asbestos | 1 or 2 |
17 | Pilot Valve | Stainless Steel | SUS420J2 | 1 |
18 | Pilot Valve Seat | Stainless Steel | SUS420J2 | 1 |
19 | Pilot Valve Spring | Stainless Steel | SUS304 | 1 |
20 | Pilot Spring Plate | Stainless Steel | SUS304 | 1 |
21 | Bolt | Stainless Steel | SUS | 1 |
22 | Gasket | Copper | C1100 | 1 |
23 | Pilot Diaphragm | Stainless Steel | SUS301 | 2 |
24 | Spring | Plano Wire or Alloy Steel | SWP or SWOSC | 1 |
25 | Top Spring Plate | Brass | C3604 | 1 |
26 | Bottom Spring Plate | Brass | C3604 | 1 |
27 | Adjusting Screw | Rolled Steel | SS400 | 1 |
28 | Lock Nut | Steel | Steel | 1 |
29 | Plug | Steel | Steel | 2 |
30 | Joint | Brass | C3604 | 2 |
32 | Elbow | Brass | C3771 | 1 |
33 | Tee | Brass | C3771 | 1 |
34 | Pipe | Copper | C1220 | 1 |
35 | Pipe | Copper | C1220 | 1 |
36 | Pipe | Copper | C1220 | 1 |
37 | Bolt | Carbon Steel | SCM435 | 4 |
38 | Bolt | Carbon Steel | SCM435 | 4 |
39 | Stud Bolt | Carbon Steel | SCM435 | 4 |
40 | Nut | Steel | Steel | 4 |
41 | Bolt | Carbon Steel | SCM435 | 1 set |
42 | Name Plate | Stainless Steel | SUS304 | 1 |
47 | Gasket | Non Asbestos | Non Asbestos | 0 or 1 |
49 | Plug | Steel | Steel | 3 |
53 | E-Ring | Stainless Steel | SUS | 1 |
55 | Sensing Plate | Copper | C1220 | 1 |
56 | Joint | Brass | C3604 | 2 |
Size 1/2" to 2" BSPT
Body Ductile Iron
Application Steam
Inlet Pressure Range 1 to 20 Bar
Outlet Pressure Range 0.2 to 14 BAR
Temperature 0°C to 220°C